規格
技術插圖
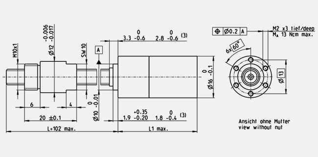
- 尺寸圖
說明: Drawings are not in scale.
| 一般資料 | |
| 減速機款式 | GP |
| 外徑 | 16 mm |
| 減速機變異 | 螺桿減速機搭配公制螺桿 |
| 心軸數據 | |
| 階數 | 1 |
| 減速比 | 4.4 : 1 |
| 絕對減速比 | 57/13 |
| 最大馬達軸徑 | 2 mm |
| 最高進給速度 | 45.5 mm/s |
| 最大進給力(連續) | 37 N |
| 最大進給力(瞬時) | 138 N |
| 旋轉方向,輸入—輸出 | = |
| 最大效率 | 27 % |
| 空載平均背隙 | 1.4 ° |
| 機械定位精度 | 0.167 mm |
| 慣量 | 0.11 gcm² |
| 減速機長度(L1) | 22.25 mm |
| 最高傳輸功率(連續) | 1.68 W |
| 最高傳輸功率(瞬時) | 2.1 W |
| 技術規格 | |
| 螺桿長度 | 101.5 mm |
| 徑向容差 | 距離法蘭最大 0.08 mm, 6 mm |
| 最小轴向间隙 | 預置 |
| 最大徑向負載 | 40 N,6 mm 距離法蘭 |
| 最大軸向負載(動態) | 37 N |
| 最大軸向壓合力 | 500 N |
| 最大輸入轉速(連續) | 12000 rpm |
| 最大輸入轉速(瞬時) | 17000 rpm |
| 建議溫度範圍 | -15...+80 °C |
| 消毒週期數 | 0 |
| 產品 | |
| 重量 | 61 g |
