規格
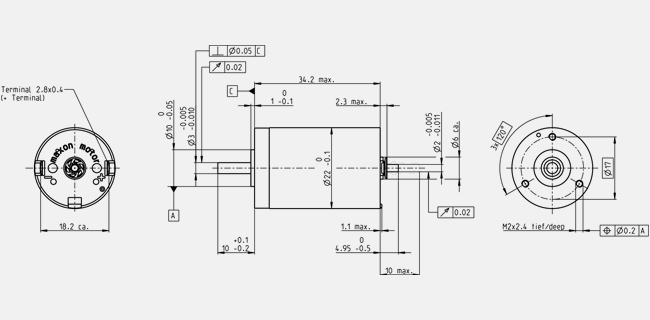
技術插圖
- 尺寸圖
說明: Drawings are not in scale.
| 額定電壓值 | |
| 額定電壓 | 24 V |
| 空轉轉速 | 12400 rpm |
| 空載電流 | 45.4 mA |
| 額定轉速 | 10800 rpm |
| 額定扭力(最大連續扭力) | 14.9 mNm |
| 額定電流(最大連續電流) | 0.855 A |
| 堵轉扭力 | 120 mNm |
| 啟動電流 | 6.51 A |
| 最大效率 | 84 % |
| 特徵值 | |
| 終端電阻 | 3.69 Ω |
| 終端電感 | 0.231 mH |
| 扭力常數 | 18.4 mNm/A |
| 轉速常數 | 520 rpm/V |
| 速度/扭力 常數 | 104 rpm/mNm |
| 機械時間常數 | 6.07 ms |
| 轉子慣量 | 5.55 gcm² |
| 熱數據 | |
| 馬達外殼-環境熱阻 | 16 K/W |
| 線圈-馬達外殼熱阻 | 7 K/W |
| 線圈熱時間常數 | 20 s |
| 馬達熱時間常數 | 528 s |
| 環境溫度 | -30...+100 °C |
| 線圈最高允許溫度 | +125 °C |
| 機械數據 | |
| 最高轉速 | 18000 rpm |
| 軸向容差 | 0 mm,徑向荷載為 < 0 N 時 |
| 0.2 mm,徑向荷載為 > 0 N 時 | |
| 徑向容差 | 0.02 mm |
| 最大軸向負載(動態) | 0.1 N |
| 最大軸向壓合力(靜態) | 80 N |
| (靜態,支撐軸) | 440 N |
| 最大徑向負載 | 3 N,5 mm 距離法蘭 |
| 其他技術明細 | |
| 極對數 | 1 |
| 換向片數量 | 9 |
| 消毒週期數 | 0 |
| 產品 | |
| 重量 | 66 g |
說明
maxon DCX 馬達以其難以超越的功率密度(單位容積扭矩)和絕對平穩的運轉性能而出類拔萃。 堅固的結構以及獲得全球專利的無鐵繞組使高動能傳動系統-DCX 馬達-幾乎在人們日常生活中隨處可見。
DCX22是一項真正的配置奇跡。預置球軸承或燒結軸承、石墨電刷或稀有金屬電刷與CLL、EMI濾波器等選配件組合為擴大產品使用範圍奠定了基礎。
