詳情

RE 10 Ø10 mm,稀有金屬電刷,1.5 瓦特

產品型號 118396

RE 10 Ø10 mm,稀有金屬電刷,1.5 瓦特
價格明細 數量 單價
價格不含 加值稅,外加運費 1-4 CHF 69.10
5-19 CHF 61.00
20-49 CHF 51.50
最低 50 請另行洽詢

規格

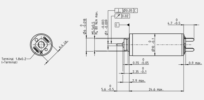
技術插圖

說明: Drawings are not in scale.

額定電壓值
額定電壓 6 V
空轉轉速 12400 rpm
空載電流 11.1 mA
額定轉速 6160 rpm
額定扭力(最大連續扭力) 1.5 mNm
額定電流(最大連續電流) 0.338 A
堵轉扭力 3.01 mNm
啟動電流 0.66 A
最大效率 76 %
特徵值
終端電阻 9.09 Ω
終端電感 0.0766 mH
扭力常數 4.56 mNm/A
轉速常數 2100 rpm/V
速度/扭力 常數 4180 rpm/mNm
機械時間常數 4.58 ms
轉子慣量 0.105 gcm²
熱數據
馬達外殼-環境熱阻 37.5 K/W
線圈-馬達外殼熱阻 9 K/W
線圈熱時間常數 2.22 s
馬達熱時間常數 135 s
環境溫度 -20...+65 °C
線圈最高允許溫度 +85 °C
機械數據
軸承類型 燒結軸承
最高轉速 19000 rpm
軸向容差 0.05 - 0.15 mm
徑向容差 0.012 mm
最大軸向負載(動態) 0.15 N
最大軸向壓合力(靜態) 15 N
最大徑向負載 0.4 N,4 mm 距離法蘭
其他技術明細
極對數 1
換向片數量 7
消毒週期數 0
產品
重量 10 g
  • 區域圖

    Continuous operation range
   
     
    Short term operation range
   

說明

maxon DC 馬達搭配高功率永久磁鐵,為品質絕佳的直流馬達。此馬達的「心臟」為擁有全球專利的無鐵芯轉子。這項最新技術帶給傳動裝置的優勢是精簡的外型、高功率和低慣性。

影片