規格
技術插圖
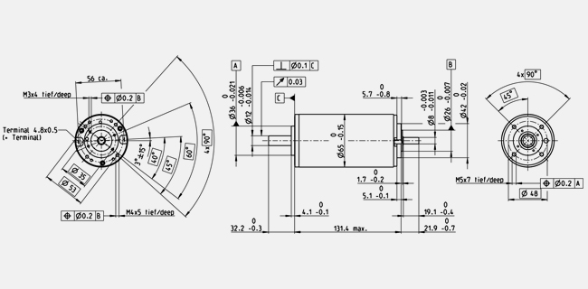
- 尺寸圖
說明: Drawings are not in scale.
| 額定電壓值 | |
| 額定電壓 | 70 V |
| 空轉轉速 | 3190 rpm |
| 空載電流 | 160 mA |
| 額定轉速 | 2960 rpm |
| 額定扭力(最大連續扭力) | 839 mNm |
| 額定電流(最大連續電流) | 4.21 A |
| 堵轉扭力 | 13700 mNm |
| 啟動電流 | 66.1 A |
| 最大效率 | 89 % |
| 特徵值 | |
| 終端電阻 | 1.06 Ω |
| 終端電感 | 0.458 mH |
| 扭力常數 | 207 mNm/A |
| 轉速常數 | 46.1 rpm/V |
| 速度/扭力 常數 | 0.236 rpm/mNm |
| 機械時間常數 | 3.16 ms |
| 轉子慣量 | 1280 gcm² |
| 熱數據 | |
| 馬達外殼-環境熱阻 | 1.3 K/W |
| 線圈-馬達外殼熱阻 | 1.85 K/W |
| 線圈熱時間常數 | 117 s |
| 馬達熱時間常數 | 1060 s |
| 環境溫度 | -30...+100 °C |
| 線圈最高允許溫度 | +125 °C |
| 機械數據 | |
| 軸承類型 | 球軸承 |
| 最高轉速 | 5500 rpm |
| 軸向容差 | 0 mm,徑向荷載為 < 25 N 時 |
| 0.1 mm,徑向荷載為 > 25 N 時 | |
| 徑向容差 | 0.03 mm |
| 最大軸向負載(動態) | 70 N |
| 最大軸向壓合力(靜態) | 420 N |
| (靜態,支撐軸) | 12000 N |
| 最大徑向負載 | 350 N,15 mm 距離法蘭 |
| 其他技術明細 | |
| 極對數 | 2 |
| 換向片數量 | 26 |
| 消毒週期數 | 0 |
| 產品 | |
| 重量 | 2100 g |
